FACTS는 추가의 송전선로의 시설이 없이 기존의 설비를 이용하면서 도 짧은 기간에 경제적으로 설치 운용이 가능한 매우 효괴-적인 전송 능력의 확충 수딘-으로 인정되고 있다. 더 욱 이 특쟁선로의 전력전송 상태룹 임의 조정할 수가 있어서 전력수요의 변화에 매우 유연하게 대응할 수 있는 장점이 있다.
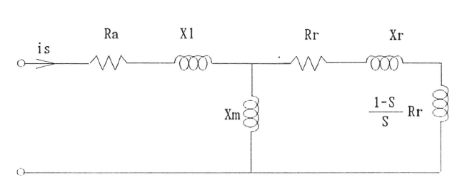
SSR 이란 발전기와 전송선로로 이루어진 전기 시스템이 발전기 및 터빈 등으로 구성된 기계 시스댐과 동기 주파수보다 작은 고유 주파수로 에너지 를 상호교환하는 상태를 의미한다. 이와 같이 SSR 이 발생하는 주요한 이유는 전력 시스템이 전기적인 교란을 받을 때, 전송선로의 직렬 커폐시터의 정전 에너지와 인덕턴스의 자기 에너지 사이에 에너지 교환이 이루어짐으로써 Network에 정격주파수 보다 작은 Subsynchronous 주파수에서의 진동을 발생 시커는 현장에 기인 한
다. 이때 Network에서 발생된 Subsynchronous 주파수 성분을 가진 전류는 고정자 권선에 흐르게 되고, 이 고정자 전류에 의한 MMF는 Subsynr.hronous speed가 된다. Subsynchronous 주파수 ωe 를 가진 고정자 권선에 의한 MMF (Magnetic motive force)와 회전자 권선에 의한 MMF는 발전기 축에 슬립주파수 ω。±ωe 에 해당하는 전자기 토크생분을 발생시킨다. 이때 ω。는 정격주파수 주파수를 의미한다. 여기서 ω+ ωc 를 Supersynchronous, ω - ω 를 Subsynchronous 라 한다.
이경우 만약 기계 시스템의 (Trubine-Generator set) 고유주파수와 슬립주파수 가 일치하면, SSR (Subsynchronous resonance) 현상이 발생한다. 슬립 주파수에서 발생된 전자기 토크는 전기와 기계시스템 사이에 에너지 교환을 위한 연결고리처렴 작용하여 더욱더 전기자 권선의 MMF가 Subsynchronous 속도로 회전하도록 작용하며, 발전기의 회전자가 동기속도로 회전하면 회전자의 저항은 전기적인 현상으로 부(負)가 되어 Subsynchronous oscillation은 쉽게 사라지지 않는다.

'전기랑 놀자' 카테고리의 다른 글
| 한전 불입금 계산하기, 표준시설 부담금 (0) | 2020.09.09 |
|---|---|
| 메가 사용법과 고려사항, 가드(guard) 사용법 (0) | 2020.09.09 |
| 열동 과전류 계전기과 EOCR (0) | 2020.09.09 |
| 중성선과 접지선 차이점 (0) | 2020.09.09 |
| 절연진단과 부분방전 (0) | 2020.09.09 |
댓글