반응형
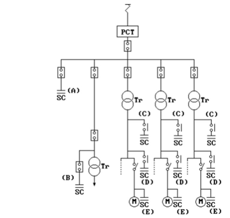
진상용 콘덴서를 설치하는 목적은 역률개선에 있다. 일반적으로 부하는 유효분 전력이외에 무효분 전력이 발생한다. 그로 인해 유효분 전류와 무효분 전류를 합성한 피상전류는 유효분 전류보다 커져서 변압기나 배전선에서의 전력손실을 증대시킨다. 이 무효전력을 경감시킴으로써 전력손실을 감소시키기 위한 수단으로 진상콘덴서를 사용한다. 진상콘덴서는 사용되는 전압에 따라 특별고압진상콘덴서, 고압진상콘덴서 및 저압진상콘덴서의 종류가 있다. 콘덴서 설치위치로는 부하와의 관계에서 여러 가지 위치를 생각할 수 있으나 다음 그림과 같이 3종류로 대별된다.
(가) 부하의 전원측에 설치하는 방식
(나) 부하와 병렬로 일괄해서 설치하는 방식(모선설치)
(다) 부하말단에 설치하는 방식

콘덴서 설치에 따른 효과는 배전선을 포함한 설비에 나타나므로 각각의 부하에 개별적으로 설치하는 위의 (다)방식이 가장 효과가 크다. 그러나 이 경우 부하의 수가 많으면 그것에 대응해서 소용량, 다량의 콘덴서가 필요하게 되어 설비비가 많이 든다. 또한 부하가 정지하면 콘덴서가 이용되지 않게 되어 이용률이 낮아지는 등의 결점이 있다. 위의 (나)방식은 변압기의 손실절감과 여력이 증가되며, 콘덴서를 제어하기 쉽고 이용률도 비교적 높은 반면 저압용 콘덴서이기 때문에 가격이 비싸다.
아래 그림과 같은 진상콘덴서 설치에서 설치위치에 따른 장․단점을 비교하면 다음 표와 같다.


반응형
'전기랑 놀자' 카테고리의 다른 글
| 154kV 변전소와 모선 구성방식 (0) | 2020.09.24 |
|---|---|
| 역률 개선용 진상 콘덴서 용량 계산 및 설치 (0) | 2020.09.22 |
| 물은 도체인가? 절연체인가? 공기는 도체인가? (0) | 2020.09.21 |
| 철의(철심) 부식 (0) | 2020.09.21 |
| 발전기 V-Curve의 계자전류 (0) | 2020.09.21 |
댓글